首頁 | 收藏本站 | 免費注冊|申請VIP會員|固定排名|廣告服務
中國電氣自動化網首頁
PLC | 電  機 | 變 頻 器 | 人機界面 | 運動伺服 | 控制傳動 | 自動化軟件
DCS | 傳感器 | 通信網絡 | 現場總線 | 數據采集 | 電氣開關 | 數傳測控
電源 | 嵌入式 | 儀器儀表 | 低壓電器 | 機器視覺 | 工業安全 | 工控機
模具 | 電線電纜 | 電子元件 | 成套設備 | 液壓氣動 | 制 冷
機床 | 電力能源 | 機械設備 | 石油化工 | 礦業冶金 | 水工業
物流 | 軌道交通 | 汽車電子 | 工程機械 | 輸 配 電 | 電 梯
企業 供求 新聞 文庫
下載 視頻 招聘 期刊 會展 培訓 庫存 論壇 訪談 維修
熱詞:嵌入式 傳感器 電源 主板 工控機 PLC 人機界面 變頻器
產品首頁 VIP會員產品 所有產品   我要發布產品
您現在的位置:中國電氣自動化網首頁 >> 產品 >> 詳細信息
 
德國TRINAMIC推出具有失速檢測功能的電機驅動芯片 蘇州鈞信自動控制有限公司(總部)
       

德國TRINAMIC推出具有失速檢測功能的電機驅動芯片

產品型號: TMC246
產品價格: 價優
產品品牌: 德國TRINAMIC
   
在線咨詢
會員在線咨詢,免費獲取《電氣自動化簡訊》雙月刊
  聯 系 人: 高偉
所在區域: 江蘇.蘇州
辦公地址: 蘇州吳江經濟開發區江興東路1128號
郵  編: 215200
電  話: 13812617052
移動電話:
傳  真: 0512-82079333
電子郵件: gaowei@servodynamics.com.cn
公司主頁: http://www.servodynamics.com.cn
 
詳細描述:
 
德國Trinamic公司推出StallGuard失速探測器。該產品無需編碼器即可實現無傳感器失速探測功能,目前有TMC246和TMC249兩種驅動器芯片可供選擇。
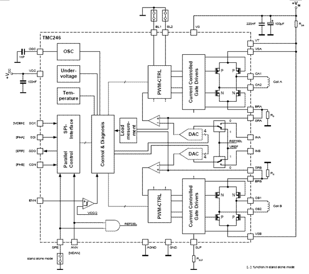
TMC246是一款雙全橋驅動器IC,適用于雙極步進電機控制。用戶可選擇105℃高溫運行或每相1.5A的大電流工作類別的產品。該產品具有電流消耗低、效率高的特點,并提供了內部DAC,可實現微步進調節和智能控制功能,強化電機和驅動器的冷卻。該器件還能通過串行接口(SPI)或模/數輸入信號進行控制,并集成了短路、過熱、欠壓和過壓保護功能。
TMC249則是高電流版本的TMC246。該產品能支持由外部MOSFET設置的高達75VDC/10A電流。該驅動芯片還適用于單極步進電機。在用于單極電機操作時只需4個外部PMOS晶體管。
TMC246和TMC249具有過載預測功能,適于要求高可靠性的應用領域。其所具備的無傳感器失速探測功能適合于需要參考點卻又不能使用開關元件的設備應用。
 
由于電機是個感性器件所以在電機的旋轉過程中自然會產生反電動勢,在電機遇到阻力的時候反電動勢電壓自然會增加,其產生的信號會被具有StallGuard功能的TMC246,TMC249芯片讀出,StallGuard可以被編程控制以達到我們所希望的電機堵轉力矩
上圖為具有失速檢測功能的驅動芯片TMC249,才用低功耗設計不需要散熱裝置,下圖為使用TMC246和TMC428開發的單軸步進控制+驅動系統,支持RS232,485,CAN總線通訊還具有多路I/O,可以存儲程序實現脫機控制
更多產品請登陸:www.trinamic.com
詳細資料請聯系:高先生  13812617052
通過中國電氣自動化網在線聯系該用戶:
關于:
需求意向:
* 驗證碼: 點擊可刷新
 
用戶: 密碼:  
如果您還不是中國電氣自動化網(cqhnbgb.com)的注冊用戶,立刻免費注冊

此信息未經核實,本網不承擔任何法律責任。為保障您的利益,建議優先選擇VIP誠信企業


廣告服務 | 關于我們 | 網站地圖 | 分類索引 | 服務條款 | VIP會員服務 |《電氣自動化企業大全》| 版權聲明

客服專線:0898-68552405     媒體合作QQ:910167442
中國電子商務服務聯盟成員單位 瓊ICP備17003754號
中國電氣自動化網 版權所有 © Copyright By Electric Automation of China