產品概述 
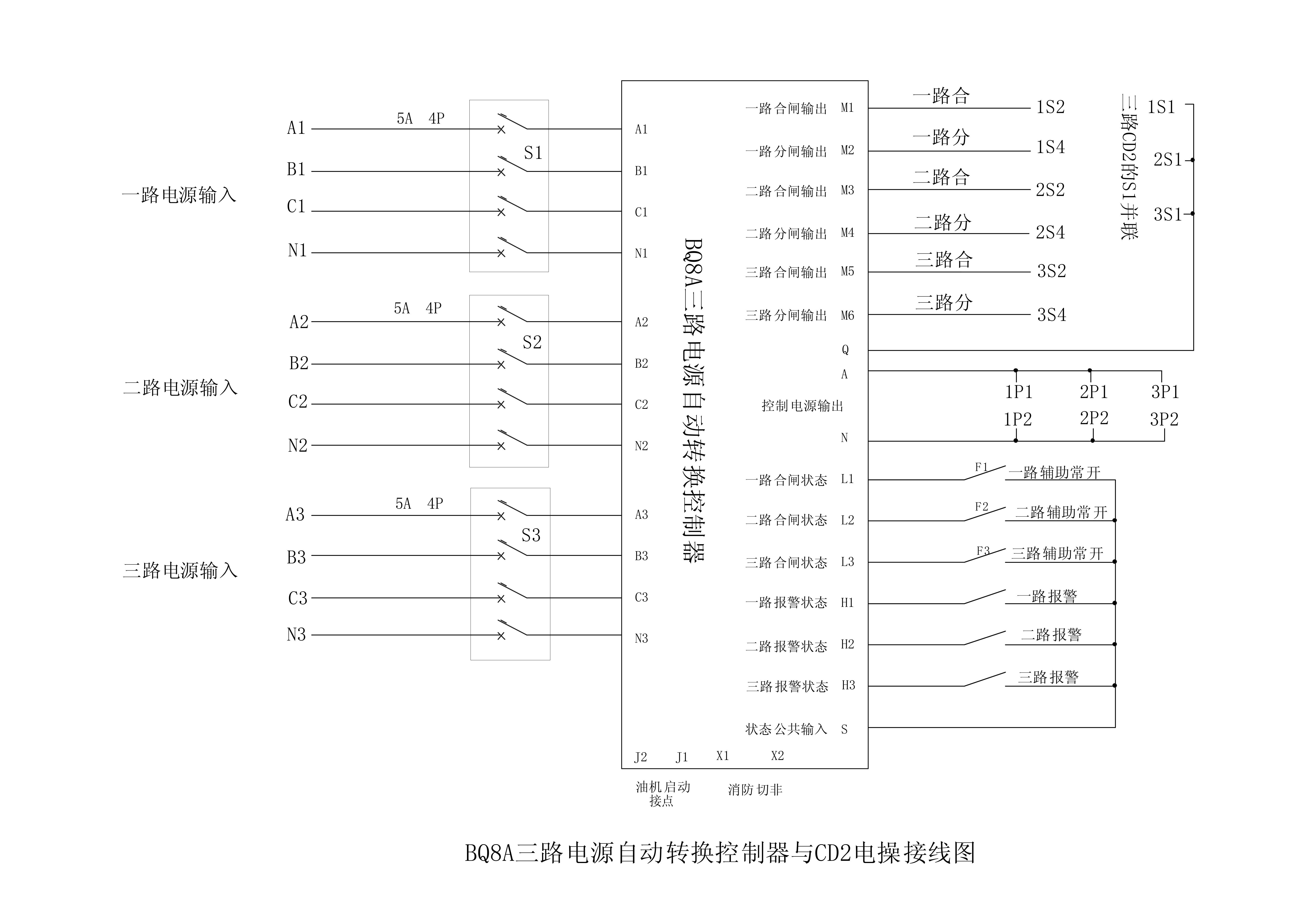
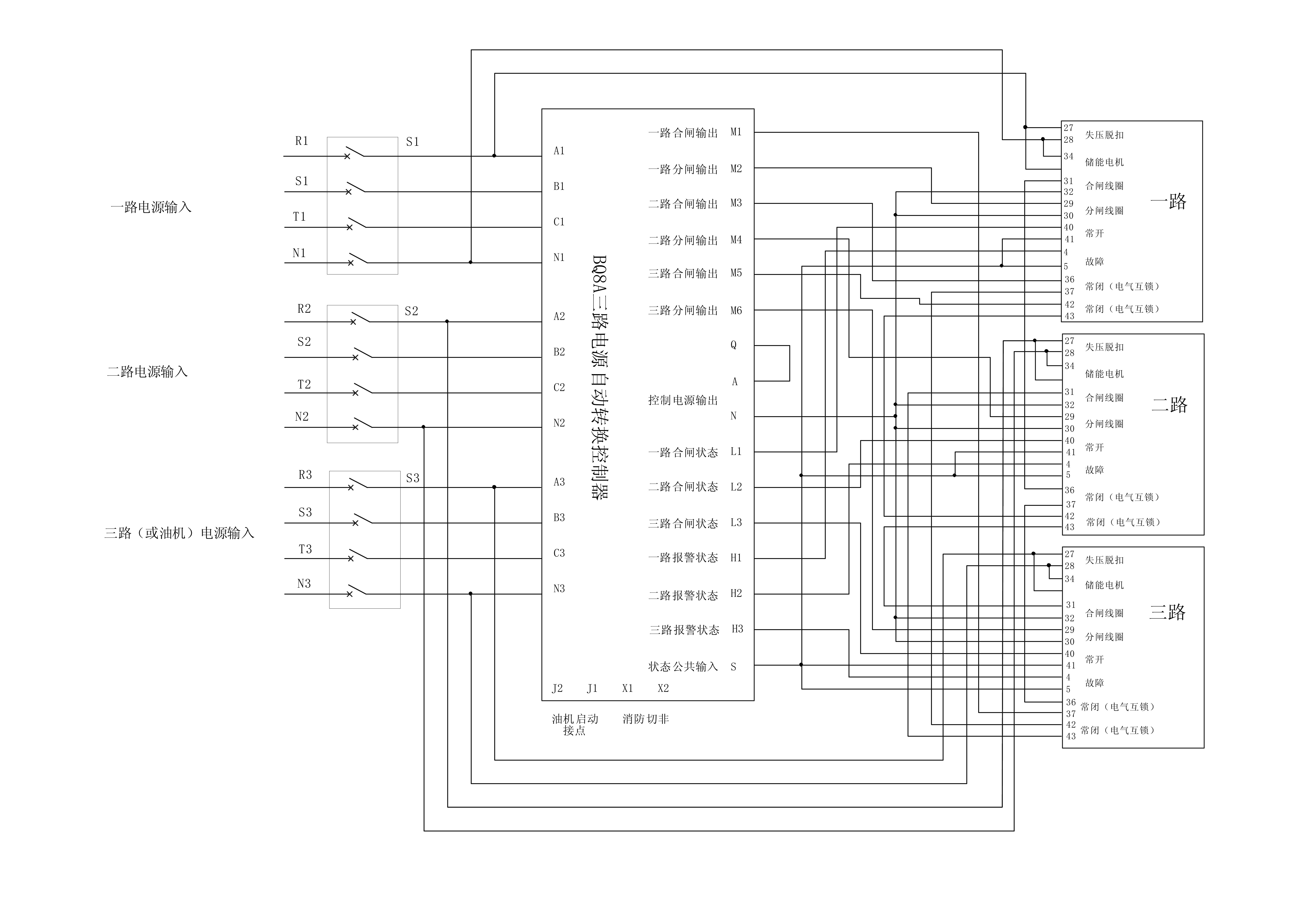
BQ8A三路電源自動轉換開關控制器是一種自動化測量、大屏幕LCD顯示為一體的智能三路電源切換系統。是三路電源自動切換的理想產品,在與低壓空氣斷路器配套使用后,特別適合于三路低壓進線側的自動轉換和保護。 產品具有結構緊湊、電路先進、接線簡單,可靠性高,操作機構不管是塑殼斷路器,還是框架斷路器,還是CD2的電操,都可與之配套。可廣泛應用于電力、石油、化工、煤炭、冶金、鐵道、市政、智能大廈等行業、部門的電氣裝置、自動控制以及調試系統。 產品特點 BQ8A自動轉換開關控制器的執行部件可以是框架式空氣斷路器也可以是塑殼斷路器,三臺斷路器不用加裝適配器,也可以不需要欠壓脫扣器,控制器不需要外接直流電源,直接對三路供電狀態進行檢測,自動控制完成三路電源的自動轉換。 技術特性 1.適用于三路市電、兩路市電一路發電機或一路市電兩路發電機的三路電源的自動轉換控制; 2.時刻監視三路三相電壓,對出現的電壓異常(如失壓、過壓、欠壓、缺相)做出準確的判斷并輸出控制開關量; 3.內部設有控制電源切換電路,充分考慮了在各種操作機構的應用(如三個接觸器,電動空開,框架斷路器,CD2電操塑殼斷路器等),還可作為ATS以及三選一工作電源使用;(三路只要其中一路電源正常,即有控制電源輸出)。 4.設有自動/手動狀態切換功能,在手動方式下,可按手動鍵實現開關分合閘;自動狀態下,任何一路出現電壓異常時,開關自動切換到另一路,在一路和二路都異常時,自動啟動油機發電,轉換到三路供電; 5.運行模式可設定為:自投自復(含一路優先、二路優先)或自投不自復:無優先(互為備用); 6.數字顯示三路相電壓及線電壓及工作狀態,LED同時顯示三路合閘及工作狀態; 7.可在控制器上更改設置參數,均采用數字化調整(連續可調);同時記憶在內部FLASH 存儲器內,在系統掉電時也不會丟失; 8.設有電氣雙重聯鎖功能,始終保持只有其中的一路合閘; 9.具有自動啟動油機功能;控制器不需要外接直流供電電源,簡單方便; 10.三路N線分離設計; 11.具有消防切非(強制分閘)功能,以滿足緊急情況下的分閘。 12.具有極強的抗電磁干擾能力,適合在強電磁干擾的復雜環境中使用; 13.控制器可與任何低壓空氣斷路器及塑殼斷路器配套,如DW45、DW17、DW15、ABB Emax、MT、3WL等。 14.模塊化結構設計,阻燃ABS塑料外殼,嵌入式安裝方式,插拔式接線端子,結構緊湊,安裝維護十分方便。 工作條件 1.電源: 交流輸入:取自三路電源中的其中一路A、N相電壓,只要其中任何一路有電,即可工作,單相電壓>170V。(該系統要求接N) 交流輸入電壓范圍:0-279V(單相)╱0-482V(三相)50Hz 輸入三相電流:0-1A(額定) 輸入功率:≤5W 2.繼電器輸出容量:5A 220VAC 工作原理 A1,B1,C1,N1:接一路電源(為市電) A2,B2,C2,N2:接二路電源(默認市電,也可為發電機) A3,B3,C3,N3:接三路電源(發電機) A、N:控制器輸出電源,以上三路電源只要任何一路有電源輸入,A、N就有AC220V電源輸出, A為相線,N為零線 Q:控制器M1、M2、M3、M4、M5、M6內部無源公共接點,一般接A M1:一路合閘輸出 M2:一路分閘輸出 M3:二路合閘輸出 M4:二路分閘輸出 M5:三路合閘輸出 M6:三路分閘輸出 S:一二三路斷路器輔助及報警公共接點 L1:控制器一路合閘指示,接一路斷路器輔助常開 L2:控制器二路合閘指示,接二路斷路器輔助常開 L3:控制器三路合閘指示,接三路斷路器輔助常開 H1:控制器一路報警指示,接一路斷路器報警常開 H2:控制器二路報警指示,接二路斷路器報警常開 H3:控制器三路報警指示,接三路斷路器報警常開 J1 J2:油機啟動輸出接點,一路電源不正常時,會自動輸出啟動信號 X1 X2:消防切非(X1與X2短路斷路器全部分閘) 尺寸 
接線說明       
|