首頁 | 收藏本站 | 免費注冊|申請VIP會員|固定排名|廣告服務
中國電氣自動化網首頁
PLC | 電  機 | 變 頻 器 | 人機界面 | 運動伺服 | 控制傳動 | 自動化軟件
DCS | 傳感器 | 通信網絡 | 現場總線 | 數據采集 | 電氣開關 | 數傳測控
電源 | 嵌入式 | 儀器儀表 | 低壓電器 | 機器視覺 | 工業安全 | 工控機
模具 | 電線電纜 | 電子元件 | 成套設備 | 液壓氣動 | 制 冷
機床 | 電力能源 | 機械設備 | 石油化工 | 礦業冶金 | 水工業
物流 | 軌道交通 | 汽車電子 | 工程機械 | 輸 配 電 | 電 梯
企業 供求 新聞 文庫
下載 視頻 招聘 期刊 會展 培訓 庫存 論壇 訪談 維修
熱詞:嵌入式 傳感器 電源 主板 工控機 PLC 人機界面 變頻器
產品首頁 VIP會員產品 所有產品   我要發布產品
您現在的位置:中國電氣自動化網首頁 >> 產品 >> 詳細信息
 
AC-DC通信設備電源模塊220V轉12V3A小尺寸 廣州高雅信息科技有限公司
       

AC-DC通信設備電源模塊220V轉12V3A小尺寸

產品型號: HS12P36SR
產品價格: 38元
產品品牌: HIECUBE
   
在線咨詢
會員在線咨詢,免費獲取《電氣自動化簡訊》雙月刊
  聯 系 人: 譚先生
所在區域: 廣東.廣州
辦公地址: 廣州市天河區迎龍路203號A8棟B區二樓210
郵  編: 510520
電  話: 13533928306
移動電話: 13533928306
傳  真: 沒填
電子郵件: 2753749802@qq.com
公司主頁: http://www.hiecube.com
 
詳細描述:
 

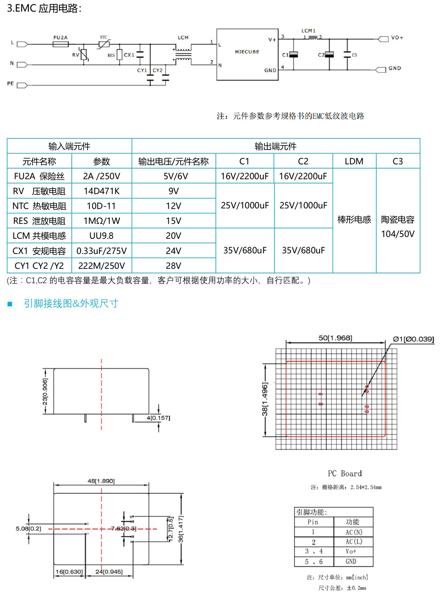
產品特性:

1、小體積、高功率密度、高轉換效率

2、全球通用輸入電壓范圍85~265VAC

3、鋁外殼封裝,自然風冷

4輸出低紋波、低噪聲

5、具備短路、過溫、過流保護功能

6、超低待機功耗

7、隔離電壓高達3000VAC

8、環保設計,符合RoHS標準

9100%滿載老化

10、尺寸:48*36*23mm


我司長期為電力、工控、通信、新能源、交通、醫療、儀器儀表、智能化等行業提供高可靠的電源產品。

36W單路2_.jpg36W單路3_.jpg36W單路4_.jpg

通過中國電氣自動化網在線聯系該用戶:
關于:
需求意向:
* 驗證碼: 點擊可刷新
 
用戶: 密碼:  
如果您還不是中國電氣自動化網(cqhnbgb.com)的注冊用戶,立刻免費注冊

此信息未經核實,本網不承擔任何法律責任。為保障您的利益,建議優先選擇VIP誠信企業


廣告服務 | 關于我們 | 網站地圖 | 分類索引 | 服務條款 | VIP會員服務 |《電氣自動化企業大全》| 版權聲明

客服專線:0898-68552405     媒體合作QQ:910167442
中國電子商務服務聯盟成員單位 瓊ICP備17003754號
中國電氣自動化網 版權所有 © Copyright By Electric Automation of China