首頁 | 收藏本站 | 免費注冊|申請VIP會員|固定排名|廣告服務
中國電氣自動化網首頁
PLC | 電  機 | 變 頻 器 | 人機界面 | 運動伺服 | 控制傳動 | 自動化軟件
DCS | 傳感器 | 通信網絡 | 現場總線 | 數據采集 | 電氣開關 | 數傳測控
電源 | 嵌入式 | 儀器儀表 | 低壓電器 | 機器視覺 | 工業安全 | 工控機
模具 | 電線電纜 | 電子元件 | 成套設備 | 液壓氣動 | 制 冷
機床 | 電力能源 | 機械設備 | 石油化工 | 礦業冶金 | 水工業
物流 | 軌道交通 | 汽車電子 | 工程機械 | 輸 配 電 | 電 梯
產品 企業 供求 新聞
下載 視頻 招聘 期刊 會展 培訓 庫存 論壇 訪談 維修  
熱詞:嵌入式 傳感器 電源 主板 工控機 PLC 人機界面 變頻器

您現在的位置:中國電氣自動化網首頁 >> 文庫首頁>>詳細信息

DANFOSS軟啟動器在低壓大功率水庫泵站中的應用 
(發布日期:2010-6-25 13:31:22) 來源:上海津信變頻器研發中心
 
   


The Application of DANFOSS Soft Starter in High Power Low Voltage Reservoir Pump Work
上海市自來水市北有限公司泵站管理所
上海津信變頻器有限公司


摘要: 本文介紹了軟啟動器在低壓大功率水庫泵站中的應用,給出了系統電氣原理圖,軟啟動器主要參數設定值,一臺軟啟動器驅動多臺電機軟起軟停的解決辦法及調試中要注意的主要問題。
Abstract: The paper discusses the application of soft starter in high power low voltage reservoir pump station, draw the system electric schematic, list the main setting value of Soft Starter's parameter. It also explores the method of multi-motors driving, and general information about debug.


關鍵詞: 城市供水 水泵 軟啟動器 軟啟動 軟停止


一、 引言:
城市供水系統的水庫泵站一般都配備大功率水庫泵及增壓泵若干臺,其良好穩定運行為城市居民的生活用水和社會主義工農業生產帶來可靠的保證。目前,很多現有設備已經趨于老化,日常維修工作量大,控制原理也較為落后。如何在不增加大量投資的前提下對現有設備進行合理改造,以發揮最高的工作效能,是當前需要重點解決的問題。
    上海自來水公司市北泵站管理所下屬真北泵站共有三臺280kW增壓泵和三臺280kW水庫泵。均采用自耦啟動柜進行啟動,啟動電流大,并且隨著設備的長期使用,開關元件及出水閥門的損耗比較嚴重。為了降低運行成本,減少設備損耗,提高管理水平,決定采用PLC自動控制系統和電機軟啟動器對原設備進行改造。
二、 工作原理及改造方案:
1. 控制原理
  電機啟動器決定使用軟啟動器。軟啟動器的基本原理如圖1所示,通過控制可控硅的導通角來控制輸出電壓。因此,軟啟動器從本質上是一種能夠自動控制的降壓啟動器,由于能夠任意調節輸出電壓,作電流閉環控制,因而比傳統的降壓啟動方式(如串電阻啟動,自耦變壓器啟動等)有更多優點。例如滿載啟動風機水泵等變轉矩負載、實現電機軟停止、應用于水泵能完全消除水錘效應等。   
 
    目前,國內外的電機軟啟動器控制系統一般都采用1臺軟啟動器配1臺電機的控制方案,為了節省投資,經過多方論證,并且與上海津信變頻器有限公司的技術專家一起進行了模擬試驗,最終決定采用1臺軟啟動器帶多臺電機的方案。同時,也為了最大限度地保障設備無故障連續運行,對原自耦啟動柜進行了改造,保留原來自耦啟動的全部功能,并且利用原自耦柜中的運行接觸器,作為軟啟動器的旁路接觸器,在軟啟動器啟動完畢后將其旁路,以便軟啟動器可以繼續控制其他的電機。軟停止控制策略則正好相反,首先要將原自耦柜中的運行接觸器斷開,電機切換到由軟啟動器控制,然后啟動軟啟動器的軟停止功能,逐漸減小輸出電壓,將電機慢慢停下來,最后軟啟動器退出,等待接受下一個啟動或停止操作。
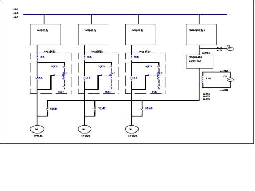
2. 系統組成框圖:
 圖2為單路進線的主回路接線圖

3. 主要設備選型:
  供水系統關系到千家萬戶,系統的設計和設備的選型要考慮其可靠性以及產品制造商的資信,使系統在正常工作條件下,盡可能做到萬無一失。但同時又要兼顧系統的經濟性,因此在設備的配備上對主要關鍵性設備盡可能選用國內外優質產品,對一些不影響系統性能及可靠性的輔助設備,可選用價廉物美的產品,以提高整個系統的性價比。
3.1 可編程序控制器(PLC)選型
  PLC是控制系統的關鍵部件之一,選型的時候除了要滿足以上要求之外,還要考慮到今后的維護和擴展以及與其他泵站保持統一的通訊接口,為今后連接上位機監控做好準備等。綜合考慮之后,決定采用ROCKWELL的SLC500系列PLC。
3.2 軟啟動器選型:
選用丹麥丹佛斯工業有限公司生產的MCD3000型工業軟啟動器,該產品具有以下幾個優點:
1. 有專用的旁路接線端子,在旁路時還有電流監控,能作過載保護;
2. 丹佛斯軟啟動器有1帶多的專有功能,特別適用于此次改造;
3. 丹佛斯軟啟動器有內置的軟停止功能;
4. 丹佛斯軟啟動器是真正的恒電流閉環控制,能以設定的啟動電流值作最快速的啟動,啟動完成的邏輯判別也更合理。
    水泵電機型號為JS137-6,280kW,493A,983rpm。泵站由兩路高壓進線供電,每路帶3臺電機。因此決定采用2臺300 kW軟啟動器(型號為MCD3300),每路電源接1臺軟啟動器,每臺軟啟動器負責3臺電機的軟啟動和軟停止。其啟動控制原理請見圖3,啟動時完全為電流閉環控制,等到電機加速至額定轉速時,電流也降至額定電流,可控硅完全開足,最后軟啟動器發出運行信號。
 
圖3

三、參數設置
參數號 參數含義 設定值 說明
1 電機滿載電流 493 A  電機額定電流值
2 電流極限值 330 %  恒流啟動設定值
3 初始電流 300 %   
5 軟停止過度時間 10 S 軟停止設定值
9 瞬時過載跳閘點 450 %   
10 啟動時間過長保護  15 S   
12 三相不平衡保護的延時 60 S   
13 欠流保護延時  60 S   
15 再啟動延時 1 S  允許頻繁操作
其余    按出廠值   

四、程序設計
  采用ROCKWELL公司的RSLOGIX500編程軟件,程序框圖如下:
 
圖4
五、 安裝調試注意事項:
  現場安裝和調試是在不影響整個泵站正常供水的情況下進行的,所以事前一定要制訂詳細的施工計劃,要求工程公司具備: 
- 有強大的技術實力
   - 有能力協調大量的材料,設備定貨,運輸和進貨等問題
   - 有相應工程的設計,施工經驗
   - 有良好的管理制度
這次施工就是在與調度充分協調之后,逐泵進行的。調試時也是如此,先選在某一路電源上的3臺泵都不用的時候,對這一路的軟啟動器進行調試;再選擇被控制的水泵,將被選中的水泵的出水閥完全關閉,以勉調試工作影響管網;然后開始正式調試動作,注意這時水泵是在打悶水,運行時間最好不要超過1分鐘;等這些調試工作都順利通過之后,就可以打開出水閥,作滿載軟啟動軟停止試驗了,這時因為是滿載所以軟啟動的時間會比空載時的長,因此軟啟動器的參數設置要有一定的余量;最后通過試驗,總結數據,得出最佳的控制方式和控制參數,就可以投入試運營了。
另外低壓大功率電機的配電較為緊湊,因此多數調試要盡量在模擬條件下完成,以減少正式調試時的故障機會。
六、運行效果及意義:
此套控制系統目前已經在真北泵站正式投入運行。六臺水泵的出水閥門完全打開,通常情況下對他們不再進行操作。軟啟動器啟動電流設為330%,啟動時間約為5-6秒,供電系統承受的啟動沖擊電流與用自耦變壓器啟動時的相仿;軟停止時電流最大不超過170%,軟停止時間約7秒,對止回閥沒有任何沖擊。系統從投入使用至今運行正常。
此系統的成功應用,將對今后城市供水系統的增壓泵站和水庫泵站設計和改造帶來非常深遠的意義:
1. 由于使用軟啟動器已能實現水泵電機的滿載啟動和軟停止,水泵的出水閥門可以完全取消;
2. 大功率軟啟動器"一帶多"取得成功應用,使得今后多泵泵站電機啟動控制系統的成本大幅度下降;
3. 軟啟動器本身具有電壓及電流保護功能,并有內在的零電流開關特性,使得電動機的保護得到了加強,同時大大減少了接觸器的損耗;
4. 此類系統因為有PLC作為主控制器,以后可以進一步擴展功能。

 

七、結束語:
由于采用了先進的PLC和電機軟啟動器,使得原先的電氣控制得到了成功改造,整個泵站的電氣控制和管理水平上了一個新的臺階。隨著國內外電力電子技術的不斷更新和自動化控制理論的不斷發展,相信今后將會有更多、更好的解決方案出現。
  此文謹供同行參考,指正,如有不詳之處歡迎與我們接洽聯系。

八、 參考文獻:
[1]. 《電氣自動化原理》,陳伯時;
[2]. 《MCD3000用戶手冊》,丹麥丹佛斯有限公司;


 

 
上海津信變頻器有限公司/上海津信電氣有限公司
所在區域: 上海.上海 郵編: 200434
公司地址: 上海市汶水東路918號信南都市工業園區五號樓1F 聯系人:張工 先生 (銷售代表)
辦公電話: 021-65618877 傳真: 021-65600454
移動電話: 電郵: 登錄查看或通過本網留言
公司主頁: http://www.sinodrive.com
通過中國電氣自動化網在線聯系該用戶:
關于:
需求意向:
* 驗證碼: 點擊可刷新
 
用戶: 密碼:  
如果您還不是中國電氣自動化網(cqhnbgb.com)的注冊用戶,立刻免費注冊

   企業新聞 更多
· 皮爾磁:亮點搶先看!皮爾磁登陸2...
· 皮爾磁:IO-Link Safe...
· 皮爾磁即將亮相2026漢諾威工博...
· 皮爾磁:輕松實現廢水回收系統的全...
· 皮爾磁信息安全咨詢現采用標準CS...
· 皮爾磁:輕松實現光柵屏蔽功能的小...
· 皮爾磁入選《德國家族企業的秘密》...
· 皮爾磁:安全雷達讓手動重啟成為歷...
  產品新聞 更多
· 皮爾磁:高可用性安全傳感器,讓設...
· 皮爾磁參展interpack 2...
· 皮爾磁:重型貨架上層物料存取防撞...
· 皮爾磁:安全PLC的升級:不換代...
· 皮爾磁:安全毫米波技術:重新定義...
· 皮爾磁:ISO14119防止安全...
· 皮爾磁:從標準到實踐的計算橋梁...
· 皮爾磁:理解安全認證與標準:全球...

廣告服務 | 關于我們 | 網站地圖 | 分類索引 | 服務條款 | VIP會員服務 |《電氣自動化企業大全》| 版權聲明

客服專線:0898-68552405     媒體合作QQ:910167442
中國電子商務服務聯盟成員單位 瓊ICP備17003754號
中國電氣自動化網 版權所有 © Copyright By Electric Automation of China