首頁 | 收藏本站 | 免費注冊|申請VIP會員|固定排名|廣告服務
中國電氣自動化網首頁
PLC | 電  機 | 變 頻 器 | 人機界面 | 運動伺服 | 控制傳動 | 自動化軟件
DCS | 傳感器 | 通信網絡 | 現場總線 | 數據采集 | 電氣開關 | 數傳測控
電源 | 嵌入式 | 儀器儀表 | 低壓電器 | 機器視覺 | 工業安全 | 工控機
模具 | 電線電纜 | 電子元件 | 成套設備 | 液壓氣動 | 制 冷
機床 | 電力能源 | 機械設備 | 石油化工 | 礦業冶金 | 水工業
物流 | 軌道交通 | 汽車電子 | 工程機械 | 輸 配 電 | 電 梯
產品 企業 供求 新聞
下載 視頻 招聘 期刊 會展 培訓 庫存 論壇 訪談 維修  
熱詞:嵌入式 傳感器 電源 主板 工控機 PLC 人機界面 變頻器

您現在的位置:中國電氣自動化網首頁 >> 文庫首頁>>詳細信息

淺談智能電能管理系統設計方案—-嘉定司法中心電能管理系統設計方案 
(發布日期:2011-1-6 19:26:20) 來源:
 
   
嘉定司法中心電能管理系統設計方案
王乃邦 
      (上海安科瑞電氣股份有限公司,上海嘉定 201801)
 
摘  要:本文介紹基于PZ系列可編程智能電測表的Acrel-3000電能管理系統在嘉定司法中心的應用,實現了分散式采集和集中控制管理的智能化電能計量管理。
關鍵詞:政府機關;智能電測表;電能管理軟件
0   引言
嘉定司法中心位于嘉定新城白銀路、永盛路路口,總占地面積85畝,總建筑面積9.2萬平方米,預計工程建安投資4億元,建成后,供區法院、檢察院、公安局、政法委、610辦公室在內的政法系統單位辦公使用。該項目有1#(公安局)、2#(法院、檢察院)兩個變配電室,室內的配電柜中安裝了安科瑞332塊PZ系列可編程智能電測表。為了能夠實現電力參數實時遙測、電能計量、電能報表等功能,系統采用Acrel-3000電能管理軟件,做到集中管理、集中控制,省去了值班人員現場抄表的煩瑣,具有投資少、簡明實用、便于智能管理等優點。
1.       系統結構
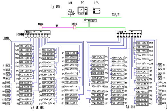
Acrel-3000電能管理軟件是對現場生產數據進行采集與過程控制的專用軟件,最大特點是能以靈活多樣的“組態方式”而不是編程方式來進行系統集成,它提供了良好的用戶開發界面和簡捷的工程實現方法,只要將其預設置的各種軟件模塊進行簡單的“組態”,便可以非常容易地實現和完成監控層的各項功能。比如在分布式網絡應用中,所有應用(例如趨勢曲線、報警等)對遠程數據的引用方法與引用本地數據完全相同,通過“組態”的方式大大縮短了自動化工程師的系統集成時間,提高了集成效率。嘉定司法中心電能管理系統拓撲結構如圖1。
圖1 系統拓撲結構圖
系統采用分布式結構,按功能或區域進行劃分,模塊化設計。整個系統分為三層,即現場層、中間層、主控層。
1.1現場層
現場層主要任務是將現場的各種配電系統的運行參數進行采集和測量,并將采集和測量的各種數據傳輸給監控系統。其中1#變配電室主要設備是:PZ80-E3/KC、PZ80-E4/KC、PZ80-AI3/KC可編程智能電測表共168塊;2#變配電室主要設備是:PZ80-E3/KC、PZ96-E4/KC、PZ96-AI3/KC、PZ72-AI3/KC可編程智能電測表共164塊。上述設備均相互獨立完成各自的功能,不依賴主控計算機運行,具備RS-485 通信接口,通過現場的RS-485總線將檢測到的各項電參數和狀態信號實時傳輸到中間層的數據處理單元—通訊服務器。
PZ系列可編程智能電測表,該系列儀表采用交流采樣技術,能分別測量電網中的電流、電壓、功率、功率因數和電能等參數,可通過面板薄膜開關設置倍率。帶RS-485通訊接口,采用Modbus協議;也可將電量信號轉換成標準的直流模擬信號輸出;或帶開關量輸入/輸出,繼電器報警輸出等功能。
1.2中間層
中間層位于現場層與主控層之間,采用高性能、嵌入式通訊服務器。通訊服務器負責把現場層儀表采集的數據經過網絡通信聯接、數據交換上傳到主控層,是主控層與現場層的橋梁。
1.3主控層
主控層位于1#公安局變配電室旁的值班室,配置高性能、高可靠性工業級計算機、UPS不間斷電源、打印機等。Acrel-3000電能管理軟件安裝在主控計算機上,通過軟件的人機界面和各種管理功能實現對整個大樓電力系統的實時監控和報表管理。
嘉定司法中心的值班室位于1#公安局負一層變配電室旁,配置一臺工業網絡交換機;2#變配電室現場采用13根總線,使用一臺16口的串口服務器,通過光纖連接至1#值班室內的交換機上;1#變配電室現場采用13根總線,使用一臺16口的串口服務器,連接至值班室內的交換機;再通過大樓的局域網把數據傳輸到后臺系統。
1.       電能管理系統的主要功能
系統依據客戶實際需求進行設計,并實現了一次主接線圖界面顯示;電參量遙測及電參量越限報警;事件記錄;系統運行異常監測;故障報警及操作記錄;報表查詢與打印;系統負荷實時、歷史曲線,用戶權限管理等主要功能。
2.1  數據采集與處理
數據采集是配電監控的基礎,數據采集主要由底層多功能網絡儀表采集完成,實現遠程數據的本地實時顯示。需要完成采集的信號包括:三相電壓U、三相電流I、頻率Hz、功率P、功率因數COSφ、電度Ep、遠程設備運行狀態等數據。
數據處理主要是把按要求采集到的電參量實時準確的顯示給用戶,達到配電監控的自動化化和智能化要求,同時把采集到的數據存入數據庫供用戶查詢。
2.2  人機交互
系統提供簡單、易用、良好的用戶使用界面。采用全中文界面,CAD圖形顯示低壓配電系統電氣一次主接線圖,顯示配電系統設備狀態及相應實時運行參數,畫面定時輪巡切換;畫面實時動態刷新;模擬量顯示;開關量顯示;連續記錄顯示等。
2.3  故障報警及事故追憶
在配電系統發生運行故障時,會及時發出聲光報警提示用戶及時響應故障回路,同時自動記錄事件發生的時間地點,以被用戶查詢,追憶故障原因。
2.4  數據庫建立與查詢
主要完成遙測量和遙信量定時采集,并且建立數據庫,定期生成報表,以供用戶查詢打印。
2.5  用戶權限管理
針對不同級別的用戶,設置不同的權限組,防止因人為誤操作給生產,生活帶來的損失,實現配電系統的安全,可靠運行。
2.6  運行負荷曲線
定時采集進線及重要回路電流負荷參量,自動生成運行負荷趨勢曲線的,方便用戶及時了解設備的運行負荷狀況。
2.7  電能成本管理
自動進行日、月、年的電能統計,可以進行尖、峰、平、谷時段設定,實現具有電能分時計費功能,同時生成日、月、年報表。
2.       案例分析
上海市嘉定區司法中心低壓配電系統主要有8臺10/0.4 kV配電變壓器和2臺應急發電機,本系統主要負責對低壓進線及相應配出回路的實時動態監測。
進線回路采用PZxx-E4/KC,它能測量三相電壓、三相電流、有功功率、無功功率、功率因數、頻率、有功電能、無功電能等多種電參量,并帶有4路光電隔離開關量輸入接點和2路繼電器控制輸出接點,帶RS485通訊接口。
配出回路采用PZxx-AI3/KC,它能測量三相電流,帶有4路光電隔離開關量輸入接點和2路繼電器控制輸出接點,帶RS485通訊接口。
高壓配電系統主要監測高壓回路的運行狀態,紅色代表合閘,綠色代表分閘;并在畫面上動態顯示三相電流、線電壓。見圖2。
低壓配電系統主要監測運行設備的電參量,其中包括:進線三相電流,功率,功率,電能,頻率等電參量及配出回路的三相電流,見圖3。
 
 
  
4.     設備與投資
根據現場實際情況所配置的系統硬件含采集裝置、電源、工作站主機、打印設備、系統軟件、弱電安裝施工等總計費用為14萬元左右。配電各環節的數據均可通過監控主機集中顯示,方便配電管理人員及時發現配電故障環節,按月統計用電數據,又可以轉發上傳至樓宇自控系統BAS,便于整體調度。相對于傳統的電工抄表、統計雖增加了一次投入,但智能化程度得到極大提高,節省了人力資本的投入。省去了值班人員現場抄表的煩瑣,具有投資少、簡明實用、便于智能管理等優點。
5.     結束語
Acrel-3000電能管理系統具有通用性好、可靠性高、組態靈活等優點,在嘉定司法中心項目上得以成功應用。隨著計算機信息技術的普及,低壓配電智能化的要求也越來越高,變配電監控及低壓配電管理使得實現配電室的無人職守真正成為現實,系統對各種用電設備的歷史運行數據和狀態進行管理分析,便于維護人員明確設備狀況,制定詳細的設備維護計劃,減少人力投入,提高工作效率,從而降低整個系統的運營成本。
參考文獻:
[1]《電力電測數字儀表原理與應用指南》, 任致程、周中,中國電力出版社
作者簡介:
王乃邦 (1980-),男,本科,畢業于江南大學自動化學院,從事變配電監控系統工作。
上海安科瑞電氣股份有限公司 系統集成部 Email:  ACREL006@vip.163.com
北京辦事處技術支持及商務咨詢 王乃邦 :15052171107,tel:021-69158310,fax:021-69158130
 
 
上海安科瑞電氣股份有限公司
所在區域: 江蘇.無錫 郵編: 沒填
公司地址: 無錫市濱湖區 聯系人:王乃幫 先生 (直銷經理)
辦公電話: 0510-82694558 傳真: 沒填
移動電話: 15052171107 電郵: 登錄查看或通過本網留言
公司主頁: http://www.acrel.cn
通過中國電氣自動化網在線聯系該用戶:
關于:
需求意向:
* 驗證碼: 點擊可刷新
 
用戶: 密碼:  
如果您還不是中國電氣自動化網(cqhnbgb.com)的注冊用戶,立刻免費注冊

   企業新聞 更多
· 皮爾磁:亮點搶先看!皮爾磁登陸2...
· 皮爾磁:IO-Link Safe...
· 皮爾磁即將亮相2026漢諾威工博...
· 皮爾磁:輕松實現廢水回收系統的全...
· 皮爾磁信息安全咨詢現采用標準CS...
· 皮爾磁:輕松實現光柵屏蔽功能的小...
· 皮爾磁入選《德國家族企業的秘密》...
· 皮爾磁:安全雷達讓手動重啟成為歷...
  產品新聞 更多
· 皮爾磁:高可用性安全傳感器,讓設...
· 皮爾磁參展interpack 2...
· 皮爾磁:重型貨架上層物料存取防撞...
· 皮爾磁:安全PLC的升級:不換代...
· 皮爾磁:安全毫米波技術:重新定義...
· 皮爾磁:ISO14119防止安全...
· 皮爾磁:從標準到實踐的計算橋梁...
· 皮爾磁:理解安全認證與標準:全球...

廣告服務 | 關于我們 | 網站地圖 | 分類索引 | 服務條款 | VIP會員服務 |《電氣自動化企業大全》| 版權聲明

客服專線:0898-68552405     媒體合作QQ:910167442
中國電子商務服務聯盟成員單位 瓊ICP備17003754號
中國電氣自動化網 版權所有 © Copyright By Electric Automation of China