首頁 | 收藏本站 | 免費注冊|申請VIP會員|固定排名|廣告服務
中國電氣自動化網首頁
PLC | 電  機 | 變 頻 器 | 人機界面 | 運動伺服 | 控制傳動 | 自動化軟件
DCS | 傳感器 | 通信網絡 | 現場總線 | 數據采集 | 電氣開關 | 數傳測控
電源 | 嵌入式 | 儀器儀表 | 低壓電器 | 機器視覺 | 工業安全 | 工控機
模具 | 電線電纜 | 電子元件 | 成套設備 | 液壓氣動 | 制 冷
機床 | 電力能源 | 機械設備 | 石油化工 | 礦業冶金 | 水工業
物流 | 軌道交通 | 汽車電子 | 工程機械 | 輸 配 電 | 電 梯
產品 企業 供求 新聞
下載 視頻 招聘 期刊 會展 培訓 庫存 論壇 訪談 維修  
熱詞:嵌入式 傳感器 電源 主板 工控機 PLC 人機界面 變頻器

您現在的位置:中國電氣自動化網首頁 >> 文庫首頁>>詳細信息

一體化超聲波流量計 
(發布日期:2020-8-27 9:18:07) 來源:land-comm.cn
 
   

https://www.land-comm.cn/www.land-comm.com

一體化超聲波流量計

1-1.png

   超聲波流量計是通過檢測流體流動對超聲束(或超聲脈沖)的作用以測量流量的儀表。根據對信號檢測的原理超聲波流量計可分為傳播速度差法(直接時差法、時差法、相位差法和頻差法)、波束偏移法、多普勒法、互相關法、空間濾法及噪聲法等。
   超聲波流量計是一種非接觸式儀表,它既可以測量大管徑的介質流量也可以用于不易接觸和觀察的介質的測量。它的測量準確度很高,幾乎不受被測介質的各種參數的干擾,尤其可以解決其它儀表不能的強腐蝕性、非導電性、放射性及易燃易爆介質的流量測量問題。

   藍迪一體化超聲波流量計,是一款集傳感數據采集、數據計算及數據遠傳、設備控制于一體的智能型流量監測終端產品,該產品支持ModBus-RTU標準協議、以及以太網TCP/IP/UDP協議,可外接其他流量傳感器、壓力表、溫度表、水位計、壓力變送器、電磁閥、電源系統等終端,同時可實現,流量數據無線通信功能。適合于高標準耕地灌溉管渠沿程管控,計算、計量、計費精準化,是水利部推薦產品。同時,也是熱力管線流量監測產品,可提供組態參數設置。


111-005.png

特點

1-2.png

示意圖

1-3.png

                         原理圖                                                              實物

產品標準

1-4.png

技術參數

top01.png  一體化超聲波流量計

1-5.png

top02.png  主設備(超聲波流量微計算機)

1-6.png

top03.png  超聲波傳感器(換能器)

1-7.png

1-8.png


注意事項

           箭頭-001.png  超聲波流量計作業溫度-20℃~55℃

           箭頭-001.png  超聲波流量計位置應避開強烈機械振動

           箭頭-001.png  超聲波流量計及其導線應避開電磁及電子干擾,信號電纜使用屏蔽信號電纜。

           箭頭-001.png  超聲波流量計位置應避開聲學噪聲干擾

           箭頭-001.png  超聲波流量計水平安裝


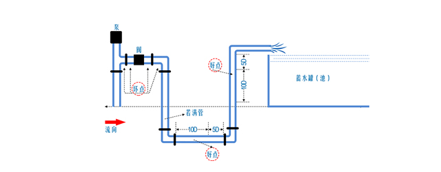
           箭頭-001.png    超聲波流量計管線示意圖

1-9.png

穩流-渦輪

1-10.png

穩流條件





 
唐山藍迪通信科技有限公司
所在區域: 河北.唐山 郵編: 063020
公司地址: 路北區高新技術開發區西昌路創新大廈 聯系人: 先生 (經理)
辦公電話: 15031873232 傳真: 沒填
移動電話: 15031873232 電郵: 登錄查看或通過本網留言
公司主頁: http://www.land-comm.cn/
通過中國電氣自動化網在線聯系該用戶:
關于:
需求意向:
* 驗證碼: 點擊可刷新
 
用戶: 密碼:  
如果您還不是中國電氣自動化網(cqhnbgb.com)的注冊用戶,立刻免費注冊

   企業新聞 更多
· 皮爾磁即將亮相2026漢諾威工博...
· 皮爾磁:輕松實現廢水回收系統的全...
· 皮爾磁信息安全咨詢現采用標準CS...
· 皮爾磁:輕松實現光柵屏蔽功能的小...
· 皮爾磁入選《德國家族企業的秘密》...
· 皮爾磁:安全雷達讓手動重啟成為歷...
· 皮爾磁:構建全方位的工業安全防護...
· 皮爾磁:從硬接線到智能網絡,重塑...
  產品新聞 更多
· 皮爾磁:重型貨架上層物料存取防撞...
· 皮爾磁:安全PLC的升級:不換代...
· 皮爾磁:安全毫米波技術:重新定義...
· 皮爾磁:ISO14119防止安全...
· 皮爾磁:從標準到實踐的計算橋梁...
· 皮爾磁:理解安全認證與標準:全球...
· 皮爾磁:規范安裝與高效調試...
· 皮爾磁:安全門系統:魚和熊掌兼得...

廣告服務 | 關于我們 | 網站地圖 | 分類索引 | 服務條款 | VIP會員服務 |《電氣自動化企業大全》| 版權聲明

客服專線:0898-68552405     媒體合作QQ:910167442
中國電子商務服務聯盟成員單位 瓊ICP備17003754號
中國電氣自動化網 版權所有 © Copyright By Electric Automation of China